本閥適用于以水或液體為工作介質,可自動化控制或遠程控制水、油、液體等工作介質管路的通斷。由于本閥采用橡膠密封,故對工作介質的清潔度大大減低,具有啟閉迅速,可靠性能高等特點。

| 工作介質 | 水(粘度≤40℃)的油及其他非腐蝕性流體 | |||||||||||||||||
| 介質溫度(℃) | ≤60 | |||||||||||||||||
| 公稱壓力(MPa) | 1.0 | |||||||||||||||||
| 工作壓力(MPa) | 0.05-10 | 0.1-1.0 | 0.15-1.0 | |||||||||||||||
| 電源電壓 | AC220V其余規格可作特殊訂貨(36V,380V,12V,24V) | |||||||||||||||||
| 額定流量系數(KV) | 按JB/T7352-94規定 | |||||||||||||||||
| 泄漏量(ml/min) | 按JB/T7352-94·F規定 | |||||||||||||||||
| 公稱通徑(mm) | 10 | 15 | 20 | 25 | 32 | 40 | 50 | 65 | 80 | 100 | 125 | 150 | 200 | 250 | 300 | |||
| 功耗(VA) | 17 | 30 | ||||||||||||||||
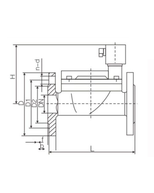
| 公稱通徑 DN | 內螺紋連接 | 法蘭尺寸 | |||||||||||
| 外形尺寸 | 內螺紋 | 外形尺寸 | 法蘭連接 | ||||||||||
| H | L | G | H | L | D | D1 | D2 | B | I | N-D | |||
| 15 | 112 | 80 | 1/2 | ||||||||||
| 20 | 119 | 80 | 3/4 | ||||||||||
| 25 | 130 | 90 | 1 | 130 | 160 | 115 | 85 | 65 | 16 | 3 | 4-?14 | ||
| 32 | 137 | 140 | 1 1/4 | 137 | 180 | 140 | 100 | 76 | 18 | 3 | 4-?18 | ||
| 40 | 152 | 165 | 1 1/2 | 152 | 200 | 150 | 110 | 84 | 18 | 3 | 4-?18 | ||
| 50 | 164 | 180 | 2 | 164 | 230 | 165 | 125 | 99 | 20 | 3 | 4-?18 | ||
| 65 | 222 | 290 | 185 | 145 | 118 | 20 | 3 | 4-?18 | |||||
| 80 | 253 | 310 | 200 | 160 | 132 | 20 | 3 | 8-?18 | |||||
| 100 | 260 | 350 | 220 | 180 | 156 | 22 | 3 | 8-?18 | |||||
| 125 | 315 | 400 | 250 | 210 | 184 | 22 | 3 | 8-?18 | |||||
| 150 | 350 | 480 | 285 | 240 | 211 | 24 | 3 | 8-?22 | |||||
| 200 | 390 | 600 | 340 | 295 | 266 | 24 | 3 | 12-?22 | |||||
| 250 | 430 | 730 | 405 | 355 | 319 | 26 | 4 | 12-?22 | |||||
| 300 | 480 | 850 | 460 | 410 | 370 | 28 | 4 | 12-?22 | |||||
浙公網安備 33032402001116號 網站地圖
13968958698
0577-67378705 / 67378706
浙江省溫州市甌北鎮東甌工業區和二園區大道926號